極小・高精度・難形状。±0.0025mm保証を支える人の技術
高精度工作機器とオペレーション、メンテナンス技術

桂精密は極小・高精度・難形状の金型に特化しているので、生産設備もスペシャル。
もちろん、これら高精度な設備は長年の経験をもった社員による、五感(加工時の匂い、光の強さ、音の大小、力の入れ加減、場合によっては味など)を駆使した微調整しながらの運用が不可欠です。
また、これら高精度な設備をベストな状態で稼働させるためには、過保護なほどのメンテナンスが欠かせません。
桂精密ではメーカの推奨する定期保守期間よりも8割ほど短い期間で交換を行う自社基準を設けるなど、実質稼働時間と同等あるいはそれ以上の時間をかけてメンテナンスを行っています。
高精度生産設備 + 運用する社員の経験・技術 + 思いやりのあるメンテナンス
この3つが桂精密の±0.0025mm精度保証を実現しています。
設備一覧
| 形彫放電加工機 | ワイヤー放電加工機 | 細穴放電加工機 | マシニングセンター |
|---|---|---|---|
|
絵付け加工(2台) |
ダイス・パンチ加工(6台) |
ワイヤー下穴加工(2台) |
形彫り放電用電極加工(2台) |
| プロファイル研削盤 | 円筒研磨機 | 平面研磨機 | 内面研磨機 |
|
パンチ外形加工(3台) |
外径加工(2台) |
平面加工(11台) |
ダイス内面仕上加工(1台) |
| 汎用旋盤 | 台加工(2台) | 汎用フライス | 台加工(2台) |
| センターレス | コアピン外径加工(1台) | ボール盤 | 台加工(4台) |
| CAD/CAM | 設計(4台) | 検査器 | 測定(大小10台) |
設備メンテの話
ワイヤー放電加工機という機械のダイヤモンドダイスと固定ブロックという部品は桂精密の求める厳しい制度、条件により専用の特注品を採用しています。
専用部品により、ワイヤーの真直性、走行安定性を向上し、仕上がり面の向上、精度の維持を実現しています。
また、桂精密独自のメンテナンスにより、部品のランニングコスト向上も実現しています。
手作業によるラップ加工。ひとつひとつを丁寧に。
桂精密の金型は単に極小・高精度・難形状を実現しているだけではありません。
お客様からお褒めいただくのはラップ加工の丁寧さ。
加工により離型性が向上し、量産時のトラブルが少ないとのお声をいただいています。
この道30年以上のベテラン社員が加工素材に合わせた研磨方法、道具、治具の選定を行い、長年の経験と培った感覚によりミクロン単位の微細加工を実現しています。
もちろん、若手社員への技術継承への取り組みも行なっています。

安定した加工を実現する影の主役「治具」
極小・高精度・難形状な金型を加工するために欠かせない治具たち。
超微細金型加工のための治具は、すべてハンドメイドでつくられた桂精密オリジナル。
極小・高精度・難形状に徹底的にこだわる桂精密の隠れた主役です。
金型アイデア提案力でお得意様の品質向上・生産性向上に貢献します
メンテナンス性を考えた金型のご提案
お得意様から頂いた金型の設計図に対して、よりメンテナンス性の高い形状になるようにご提案することがございます。
例えば、取り替え可能なパンチ。
一体型のパンチ部を取り替え可能な形状に変更することで、トータル的な金型コストを低減するご提案を行ったりします。
このようなご提案を行うと「金型屋さんの儲けがなくなってしまわないか」とお客様からご心配をいただきます。
短期的にみれば確かにそうですが、お客様のコスト削減に金型技術で貢献し、信頼をいただくことが大切だと考えております。

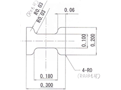
割型加工技術で「コーナーR 0」を実現
極小金型でしばしば問題になる「コーナーアール」。
金型を工具で加工する以上、コーナーアールをゼロにするのは不可能でした。
しかしながら極小部品において小さなアールが付くことは、後加工時を含めるとかなりの摩耗になり、体積を減少させ部品機能の低下につながることになります。
桂精密ではこの極小部品の「コーナーアール」問題に割型技術にて対応。
「コーナーアール 0」を実現しています。
金型業はサービス業
試作・量産・修理・オーバーホールまでをお客様目線で
例えば試作段階から、お客様の望まれる金型修理回数をお聞きし、耐久性が出るように厚みを増すご提案行うなどの耐久性の向上や、多数個取り提案での生産性向上など、お客様の目線で考え最適なご提案を行います。
社外不良ゼロ運動
不良のモニタリングを行い、不良発生時の原因の追求および対策書の作成、対策の実施・・・
というPDCAサイクルを回し、社外不良ゼロ活動を行なっています。
お客様満足度調査
金型を納品させていただいたお客様に、「お客様満足度アンケート」を実施し、お客様の満足度を調査することにより社内体制の改善に活用しています。